Sobre nós
A JWM PROJETOS iniciou sua trajetória em 2017, elaborando desenhos inicialmente pequenos projetos e equipamentos mecânicos e plantas residenciais para escritórios de engenharia civil. Posteriormente, elaborando desenhos para oficinais e projetos particulares por meio de consultoria.
Nós já atuamos nos segmentos das indústrias mecânicas em geral, oficinas de usinagens, moveleiras com desenhos avulsos sobre medida. Em seguida, prestando serviços de aulas particulares (presenciais e online) de utilização de softwares de desenhos (AutoCAD, SolidWorks e Autodesk Inventor), consultoria para aprimoramentos e aperfeiçoamento dos colaboradores para pequenas empresas.
Somos especialistas em apresentar projetos extremamente detalhados, que permitem ao cliente obter o máximo de informações necessárias para a resolução de seus problemas, necessidades ou fabricação de seus produtos. Sempre preocupados com a satisfação do cliente, buscamos surpreender em todas as etapas de entrega de nossos serviços através de um gerenciamento de projetos muito eficaz.
Será um prazer atendê-lo.
Nossos Serviços
A JWM PROJETOS se orgulha de disponibilizar diversos serviços para o benefício de todos nossos clientes.
Abaixo você acompanha a listagem completa:
RESPONSABILIDADE TÉCNICA PARA EMPRESAS
Se a sua empresa atua nas áreas de engenharia, agronomia, geologia, meteorologia ou áreas técnicas correlatas, é obrigatório por lei estar registrada no CREA (Conselho Regional de Engenharia e Agronomia) do seu estado, conforme determina a Lei Federal N.º 5.194/66.
Além do registro, toda empresa deve contar com um profissional habilitado como responsável técnico, que irá responder pelas atividades técnicas desenvolvidas e garantir que estejam em conformidade com as normas e exigências legais.
Oferecemos o serviço de Responsabilidade Técnica (RT) para empresas que precisam se regularizar junto ao CREA, com emissão de ART (Anotação de Responsabilidade Técnica) e acompanhamento técnico adequado, de forma prática, transparente e segura.
RESPONSÁVEL TÉCNICO PARA DESMANCHE DE VEÍCULOS
Engenheiro apto para credenciamento junto ao DETRAN-SP para atuação como responsável técnico de desmanches, conforme previsto na Lei Federal N.° 12.977 de 20 de maio de 2014, mais conhecida como lei do desmanche. A lei prevê o credenciamento dos estabelecimentos que atuam com o desmanche, revenda ou reciclagem de peças de veículos usados junto aos DETRANs.
Entre outras exigências, o estabelecimento precisa ter boa reputação, ou seja, não ter dívida ativa junto ao Estado e nem sócios com antecedentes criminais, alvará de funcionamento expedido pela respectiva Prefeitura, controle de entrada e saída das peças e cuidados com o meio ambiente (como a correta retirada de fluidos e gases dos veículos, por exemplo) conforme a Resolução CONTRAN N.° 530 de 14 de maio de 2015.
Além disso, a legislação determina que somente empresas credenciadas poderão participar de leilões para adquirir veículos destinados a desmonte ou reciclagem de peças.
PROJETOS MECÂNICOS E EQUIPAMENTOS
Elaboração de projetos e equipamentos mecânicos para industrias, oficinais e projetos particulares por meio de serviços Freelancer.
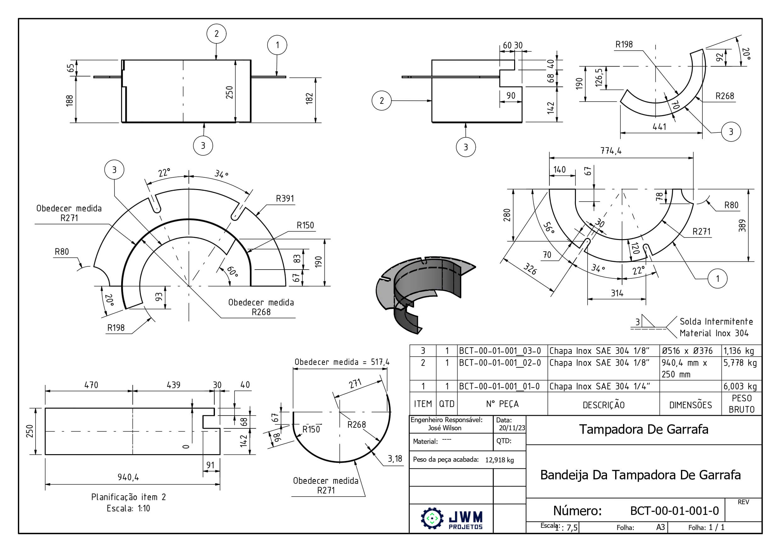
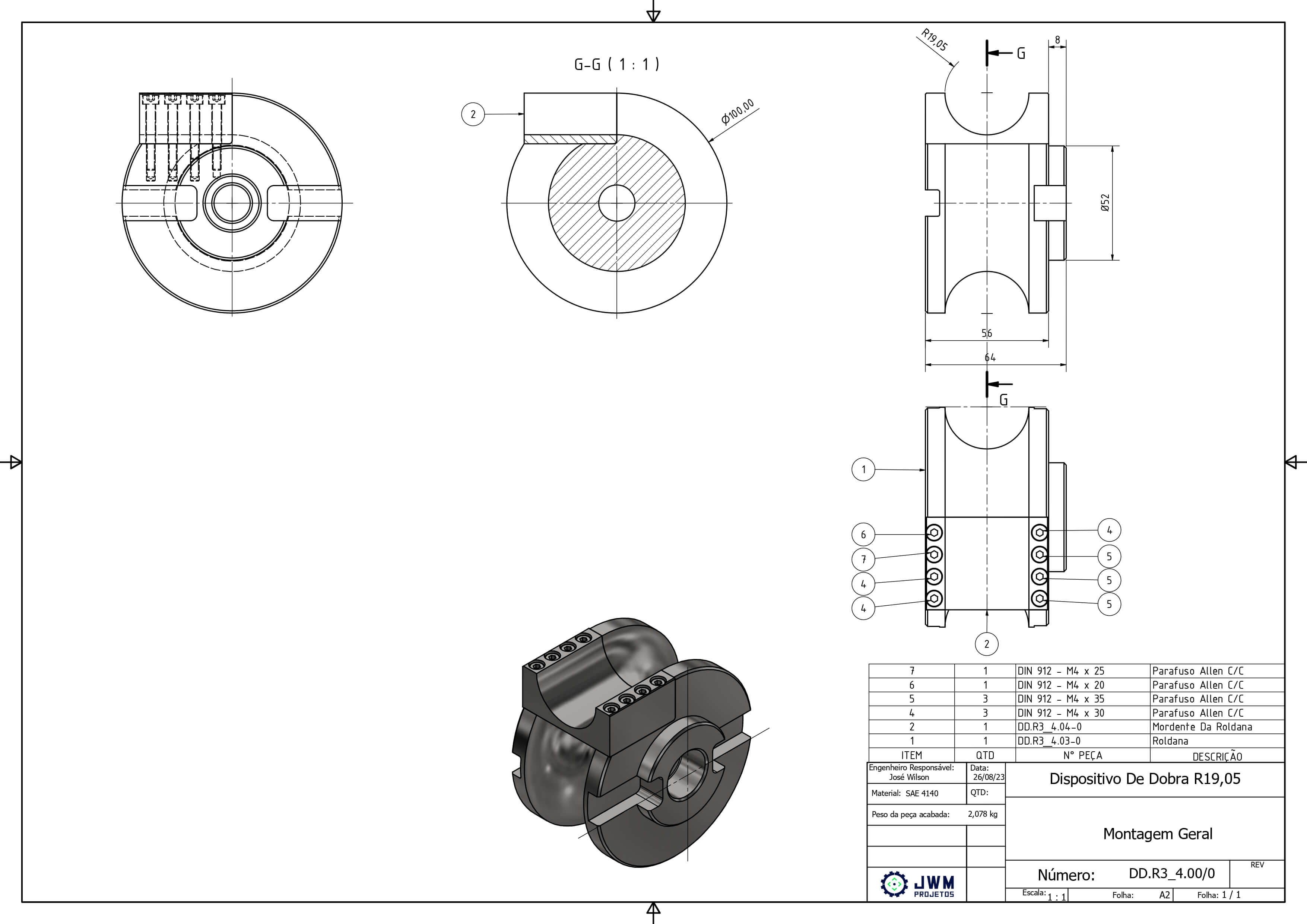
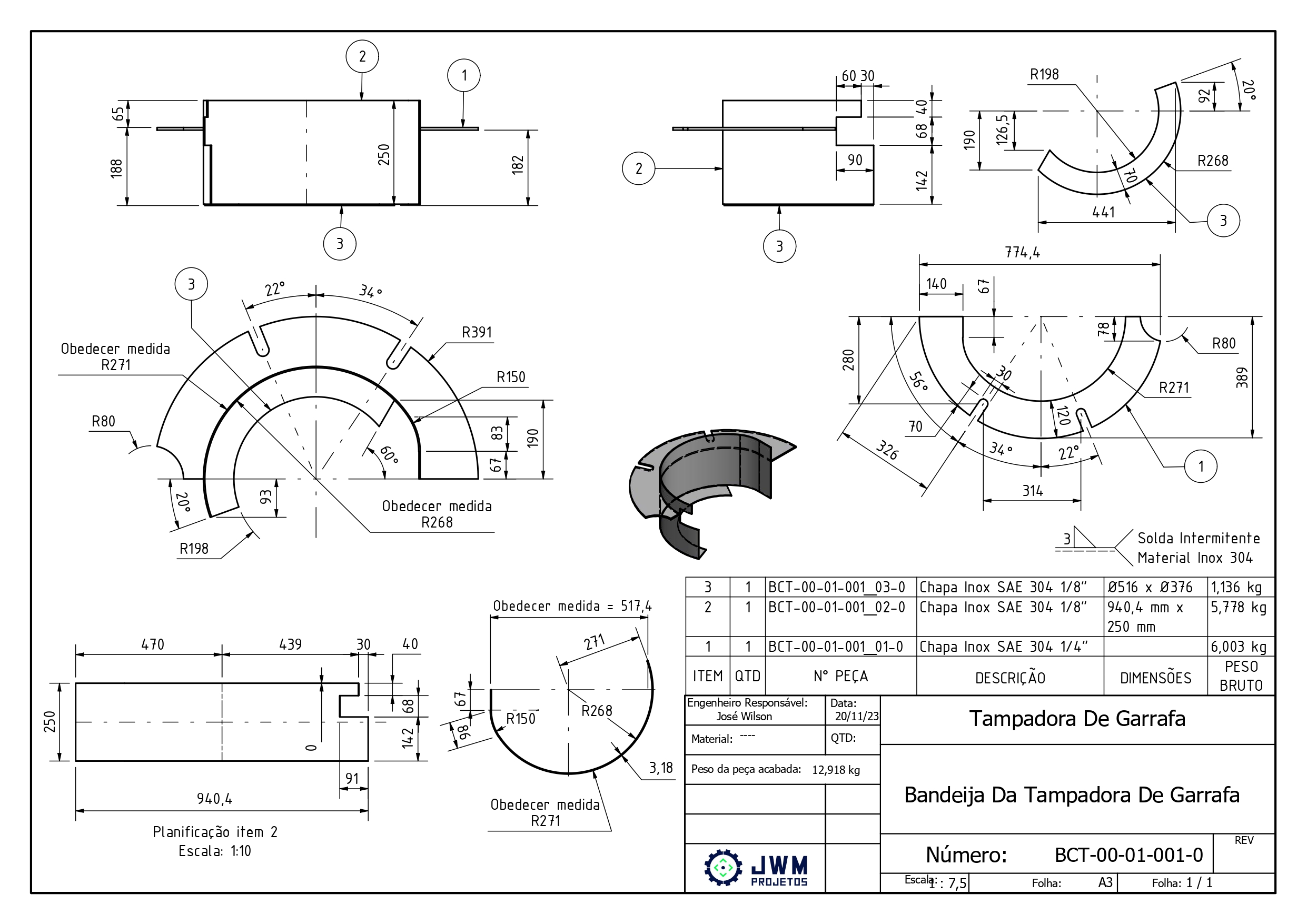
A JWM PROJETOS apresenta à sua empresa diversas soluções com projetos mecânicos, utilizando Softwares de engenharia em conformidade com a solicitação do cliente. Nosso principal diferencial está no fato de entregarmos projetos extremamente detalhados, com vistas, detalhes, listas de materiais, detalhes de montagem que permitam ao cliente fabricar seus produtos sem erros de montagem e no menor tempo.
Itens entregues neste serviço:
- Projetos de máquinas e equipamentos;
- Detalhamento 3D e 2D de projetos variados na área mecânica;
- Elaboração de manuais de instruções de máquinas e equipamentos;
- Elaboração de projetos para atendimento da Norma NR-12;
- Elaboração de desenhos e diagramas industriais.
CONSULTORIA EMPRESARIAL
Esta consultoria é mais voltada para a área comercial, onde é elaborado um treinamento que proporciona a capacitação e o aprimoramento dos colaboradores da empresa, onde será apresentado metodologias dinâmicas para o aprendizado dos softwares (Autodesk Inventor, AutoCAD e SolidWorks).
Treinamento nos principais softwares do mercado:
- Autodesk Inventor;
- AutoCAD;
- SolidWorks;
Meios de atendimento
- Presencial: Na região de Campinas/SP ou conforme consulta de sua localização
- Online: Videoconferência ou gravação de vídeos
SERVIÇOS ESPECIALIZADOS
- Elaboração de desenhos 2D;
- Elaboração de desenhos 3D;
- Detalhamentos de peças;
- Objetos avulsos sobre medida ou que fazem parte de equipamentos;
- Nova elaboração de desenho:
- Peças quebradas;
- Projetos de peças automotivas personalizadas;
- Reparos para equipamentos;
- Peças mecânicas em geral.
Porque nos escolher?
Atendimento Online
Um dos nossos pilares é a aproximação com o cliente, onde estamos disponíveis para atendimentos via email ou se assim preferir Whatsapp, Messenger ou Telegram.
Atendimento Personalizado
Nosso produto é exclusivo e está sempre dinâmico junto ao cliente para soluções de problemas e adequação, seja do serviço prestado, da consultoria empresarial ou apoio de aulas particulares.
Custo Benefício
Ofertamos valores acessíveis, com opções de pagamento parcelado ou á vista. E o principal diferencial é a garantia de 15 dias de devolução e ressarcimento do valor pago.
Sobre o CEO
Sou José Wilson De Medeiros, graduado em engenharia mecânica pela FHO Uniararas onde atuo como consultor em oficinas do ramo metal mecânica com especialidades em projetos de máquinas e elementos individuais, realizo aulas particulares do software Autodesk Inventor, AutoCAD, SolidWorks e também atuo como Analista de custo em uma multinacional. Atuei no setor de usinagem por mais de 8 anos na mesma metalúrgica multinacional, como torneiro mecânico e na área de ferramentaria. Outras competências como formação em técnico mecânico pela escola técnica, aprendizagens industriais de desenhista e usinagem I e II pelo Senai.